鋁型材模型
Profile Model
Profile Model
聯系APAS / Contact us
- 地址:天津市西青經濟技術開發區賽達國際工業城A3-2.
- 郵箱:lxc@apas.com.cn
- 電話:022-87920088
- 傳真:請聯系網絡管理員
- 郵編:300385
- 咨詢熱線:13702119190(24小時服務熱線)
鋁型材模型
/ Profile Model

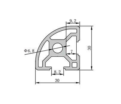
3030R鋁型材三維模型
產品描述 / Name
3030R鋁型材是一款圓弧倒角結構型材,技術工程師可以下載鋁型材CAD模型并導入Solidwork中,可以得到標準鋁型材三維模型,用于高強度鋁型材框架結構的設計搭建;
022-87920099
可以根據需求進行設計加工,提供上門安裝服務;可以根據特殊需求進行鋁型材開模定制。
* 免費提供工業鋁型材選型手冊 →點擊咨詢
內容來源:http://m.miniant.cn 作者:武將 發布日期:2019年08月30日 11時04分 閱讀次數:2920 次
| 3030R鋁型材三維模型介紹: |
| 3030R鋁型材中R表示型材圓弧倒角結構設計,圓弧倒角的設計目的是增加受力面積,降低意外磕碰所造成的損傷程度,是較為人性化的結構設計,同時圓弧結構設計可以使框架結構更加美觀;3030R鋁型材主要應用于框架結構的邊緣部位,例如防護罩直角邊以及操作臺立柱邊緣等; |
![]() ![]()
|
|
3030R鋁型材物理參數
|
| ? |
|
3030R鋁型材規格參數
|
|||||||
|
規格型號
|
材質
|
型材重量
|
慣性矩
|
慣性矩
|
彎矩
|
彎矩
|
訂貨編號
|
|
profile
|
material
|
weight
|
Ix(cm^4)
|
Iy(cm^4)
|
Wx(cm3)
|
Wy(cm3)
|
order NO.
|
|
30×30R
|
鋁AL(6063-T5)
|
1.15kg/m
|
3.30
|
3.30
|
2.34
|
2.07
|
P8-3030R
|
聯系APAS/ Contact us
天津艾普斯工業鋁型材股份有限公司
聯系電話:022-87920088
企業傳真:(避免惡意廣告)請聯系該企業網絡管理員
服務熱線:13702119190 (24小時服務熱線)
Q Q:534973906
企業郵箱: lxc@apas.com.cn
企業地址:天津市西青經濟技術開發區賽達國際工業城A3-2
聯系電話:022-87920088
企業傳真:(避免惡意廣告)請聯系該企業網絡管理員
服務熱線:13702119190 (24小時服務熱線)
Q Q:534973906
企業郵箱: lxc@apas.com.cn
企業地址:天津市西青經濟技術開發區賽達國際工業城A3-2
采購意向留言:* 為必填










.jpg)




QQ咨詢
電話聯系
聯系電話

在線留言
樣冊下載
